PR15/PR310←HYDROTECHNIK
hydrotechnik
![]() |
PR15/PR310 Pressure sensor |
| Hydrotechnik in china | |
| Hydrotechnik PR15/PR310 data download |
Hydrotechnik PR15/PR310 Qualities |
|
| Measuring principle | Thinfilm WSG / relative pressure |
| Measuring output signal: | Options 0 to 20 mA (three-wire), 4 to 20 mA (two-wire) or 0 to 10 VDC (three-wire) |
| Supply voltage: | 10 to 30 VDC (signal 0 to 20 mA /4 to 20 mA) 12 to 30 VDC (signal 0 to 10 VDC) |
| Over voltage protection: | To max. 35 VDC |
| Current consumption: (Sensor under zero load) |
12 mA (0 to 20 mA/4 to 20 mA) 8 mA max. (0 to 10 VDC) |
| Non.linearity and hysteresis: | ± 0,5 % of full-scale output |
| Error limit: | ±0.3%@22 |
| Repeatability: | ± 0,1 % of full-scale output |
| Mechanical overload capacity: | 1,5 x nominal pressure |
| Bursting pressure: | 3 x nominal pressure |
| Working temperature range: | -40 °C to +100 °C (for a brief period +120 °C) |
| Media temperature: | -40 °C to +130 °C |
| Stock temperature range: | -40 °C to +130 °C |
| Long-term stability: | 0,1 % of final scale/year |
| Load resistor: | Current source:RL = Max.500Ohm ,Voltage source: RL = 5 kOhm |
| Environmental rating (EN 60529/IEC 529): | IP 40 |
| Fatigue life (FS cycles): | > 10 x 10 7 |
| Frequency response (amplifier): | DC to >1 kHz |
| Reaction time: | <1ms |
| Insulation resistance: | Minimum 100 MOhm |
| CE-mark: | Interference emission acc. to EN 50081-2, immune to interference acc. to EN 50082-2 |
| Resistance to vibrations: | 20 g (1mm vibration way 10 bis 2000 Hz) |
| Resistance to thermal shocks: | 50 g (6 ms half sinusoid) |
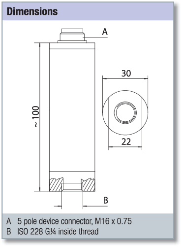
| Electrical connection: | 5 pole device connector, M16 x 0.75 |
| Pressurized connection G (mechanical): | ISO 228-G1/4 A: maximum 25 Nm, gasket: Gi-ring: FKM (Viton) |
| Casing material | 1.4104, 1.4301 |
| Membrane material | 1.4435 |
| Weight: | ~ 120 g |

| Pin assignment | 0 ... 20 mA (three wires) |
![]() |
Pin 1 = signal + |
| Pin 2 = – Ub / signal – / GND | |
| Pin 3 = + Ub | |
| Pin 4 = free | |
| Pin 5 = free |
| Pin assignment | Order number |
| 5 Pin assignment | 8808-05-00.01 |
| Measuring range(MPa) | Measuring range(Bar) | 0...20mA with ISDS |
| -0.1...0MPa | -1...0bar | 3403-30-S-71.33A |
| -0.1...0.1MPa | -1...1bar | 3403-20-S-71.33A |
| -0.1...0.6MPa | -1...6bar | 3403-32-S-71.33A |
| 0...1.0MPa | 0...10bar | 3403-26-S-71.33A |
| 0...2.0MPa | 0...20bar | 3403-27-S-71.33A |
| 0...2.5MPa | 0...25bar | 3403-40-S-71.33A |
| 0...6.0MPa | 0...60bar | 3403-21-S-71.33A |
| 0...10.0MPa | 0...100bar | 3403-16-S-71.33A |
| 0...20.0MPa | 0...200bar | 3403-10-S-71.33A |
| 0...25.0MPa | 0...250bar | 3403-17-S-71.33A |
| 0...40.0MPa | 0...400bar | 3403-15-S-71.33A |
| 0...60.0MPa | 0...600bar | 3403-18-S-71.33A |
| 0...80.0MPa | 0...800bar | 3403-62-S-71.33A |
| 0...100.0MPa | 0...1000bar | 3403-29-S-71.33A |